EVIQtech
SwiGO SuperSmart Pump Controller for existing 3 Phase DOL Starter
SwiGO SuperSmart Pump Controller for existing 3 Phase DOL Starter
Taxes included
Low stock: 2 left
Couldn't load pickup availability
Automate completely your existing Three Phase DOL starter of any brand with SwiGO SuperSmart Pump Controller with External Antenna up to 30HP
- SwiGO SuperSmart Pump Controller for your existing 3Ph Submersible starter
- Advanced Motor Protection: Safeguard your motors from Dry Run, Overload, Over-voltage, and Under Voltage.
- Seamless Automation: Auto ON with a delay after Power resumes, ensuring a hassle-free and unattended operation.
- Auto ON/Stay off after fault; Choose however you need; Protects from fault anyway!
- Energy Monitoring: Keep track of energy consumption for better efficiency and cost management.
- Remote Operation: No need to go near the Starter for operation; Everything runs locally from Schedules to Protection.
Features
Features
- Automate completely your existing Three Phase DOL starter of any brand with SwiGO SuperSmart Pump Controller up to 30 HP
- All features work locally on the SwiGO SuperSmart without requiring any internet/cloud.
- A Smart, Intelligent switch to safely control and monitor your Pumps.
- Has Power monitoring feature: Measures Voltage, Current, Power and Energy
- Just not Control and Monitor, also Protects all your connected Submersible pumps from Overload, Over Voltage, Under Voltage, Dry-run
- Create daily and Weekly schedules to run
- Can choose to switch on automatically after power resumption or stay off
- Protect from sudden switching spikes and surges
Specifications
Specifications
Rated Voltage: 440V AC 3Phase 50Hz
Maximum Rating / Variants CAT No.: up to 10 HP/EDS5001-A
Mounting Method: Surface
SwiGO SuperSmart Variants: EDS031, EDS032, EDS033, EDS034
Color: Grey RAL7035
Warranty: 1 Year
Product Weight: 2 kg approx
Product Dimensions: 300 x 160 x 120 mm
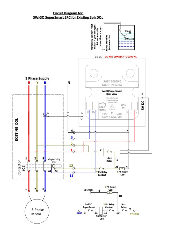
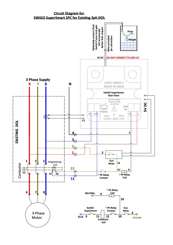
Wiring Diagram
Wiring Diagram





-
Robust Design & Safety
Built with a sturdy structure and clear labeling, it ensures safe operation and reliability.
-
Simple Manual Operations
Color-coded physical buttons make local control intuitive and easy. Even without the app, you can manage operations directly.
-
Built-in Protection, Built-in Savings
SwiGO SuperSmart protects equipment from: Overload, Dry run, High Voltage, Low Voltage and reduce maintenance costs saving money while protecting your equipment.
-
Convenient. Set unlimited scheduling options
Its Schedule setup provides effortless control and flexibility.
-
Monitor. Control energy usage
Stay in control with real-time energy tracking.

Offline Simplicity - Powered by Precision
No Wi-Fi? No problem. SwiGO SuperSmart operates completely offline through schedules and protection parameters stored in the device. Dedicated buttons gives added convenience for any out of schedule use.

Withstands High Voltages upto 440V AC
SwiGO SuperSmart can now withstand up to 440V AC. It will protect your connected Pumps, Motors, Geysers, Lights etc from High Voltages by switching off beyond 290V AC.

One Switch, Multiple Timed Solutions
From motor pumps to water heaters and lighting systems, SwiGO SuperSmart simplifies timed control with just a press.

Worryless double tier protection from tank overflow
The SwiGO SuperSmart timer switch is all that require for daily pumping needs. If your needs vary or your tank needs to be full all the time, connect a float switch (not included) to SwiGO SuperSmart. It will detect and cut off if the tank is full or when the timer goes off, whichever happens first.